Coriolis Flow Meter Wiring Diagram

4 20 Ma Wiring And Connection Instructions Forthermal Mass Flow

4 20 Ma Wiring And Connection Instructions Forthermal Mass Flow

Signal Wiring Diagram Of Mass Flowmeter And Quantitative Control Inst

Signal Wiring Diagram Of Mass Flowmeter And Quantitative Control Inst

Http Www Omega Com Manuals Manualpdf Mqs5773 Pdf

Http Www Omega Com Manuals Manualpdf Mqs5773 Pdf

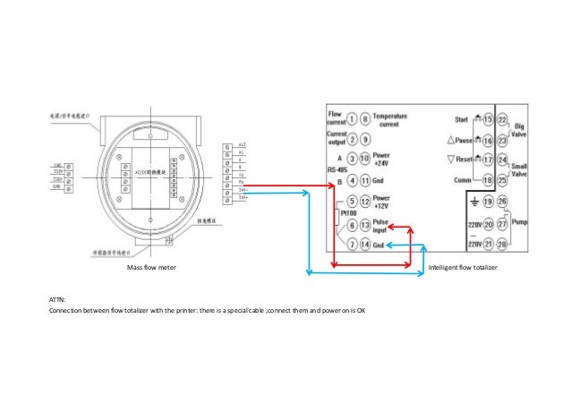
4 Wire Mass Flow Meter Wiring Connection Detail In Hindi

4 Wire Mass Flow Meter Wiring Connection Detail In Hindi

Micromotion Mass Flow Meter Manual

Micromotion Mass Flow Meter Manual

1 2 To 4 Coriolis Mass Flow Meter Tactical Flow Meter

1 2 To 4 Coriolis Mass Flow Meter Tactical Flow Meter

1 2 To 4 Coriolis Mass Flow Meter Tactical Flow Meter

Conversely decelerating fluid moves away from the point of peak amplitude as it exits the tube.

Coriolis flow meter wiring diagram. The mass flow is measured with high accuracy good repeatability and a wide turndown ratio. Coriolis flow meter principles the basic operation of coriolis flow meters is based on the principles of motion mechanics. Micro motion elite coriolis flow and density sensors. The coriolis meter integrates with precise temperature sensor.

Do not lift a meter by its electronics junction box transmitter or any electrical. Installation manual 20002298 rev ch april 2020 micro motion f series coriolis flow and density sensors. Two leg wire rope slings lift a meter by its case. Compared to traditional flow measurement methods fmc coriolis meters have the following obvious advantages.

Coriolis fluid flow meter instructions parts list 309234h important safety instructions read all warnings and instructions in this manual and. 1 3 1 ability to directly measure the mass flow rate in the measuring tubes without any conversions which avoids intermediate measurement errors. Install the meter so that the flow direction arrow on the sensor case matches the. If the resistance is greater than 25 ohms check the cable ground connection.

In addition to temperature measurement and output it is also internally used for compensation of flow and density.

Micro Motion Coriolis Meter Characterization And Configuration

Micro Motion Coriolis Meter Characterization And Configuration

Coriolis Flowmeter An Overview Sciencedirect Topics

Coriolis Flowmeter An Overview Sciencedirect Topics

Pin On Education

Pin On Education

Common P Id Symbols Used In Developing Instrumentation Diagrams

Common P Id Symbols Used In Developing Instrumentation Diagrams

The Working Principle Of Coriolis Flowmeters Electronic

The Working Principle Of Coriolis Flowmeters Electronic

Difference Between Different Types Of Flow Meters Flow

Difference Between Different Types Of Flow Meters Flow

Pin On Instrumentation And Control Systems

Pin On Instrumentation And Control Systems

Pin On Indicoel

Pin On Indicoel

Fiber Optic Cable Testing Fiber Optic Cable Fiber Optic Cable

Fiber Optic Cable Testing Fiber Optic Cable Fiber Optic Cable

Difference Between Different Types Of Flow Meters Flow

Difference Between Different Types Of Flow Meters Flow

Coriolis Mass Flow Sensor Theory With Images Theories Mass

Coriolis Mass Flow Sensor Theory With Images Theories Mass

Calculate Process Temperature Using A Thermocouple With Images

Calculate Process Temperature Using A Thermocouple With Images

An Overview Of The Common Symbols Of Control Signals Piping

An Overview Of The Common Symbols Of Control Signals Piping

Pin On Process Technology

Pin On Process Technology