Generac 30 Kw Wiring Diagram

Sae 5w 30 10w 30 10w 40 20w 50 30 or 40 weight.
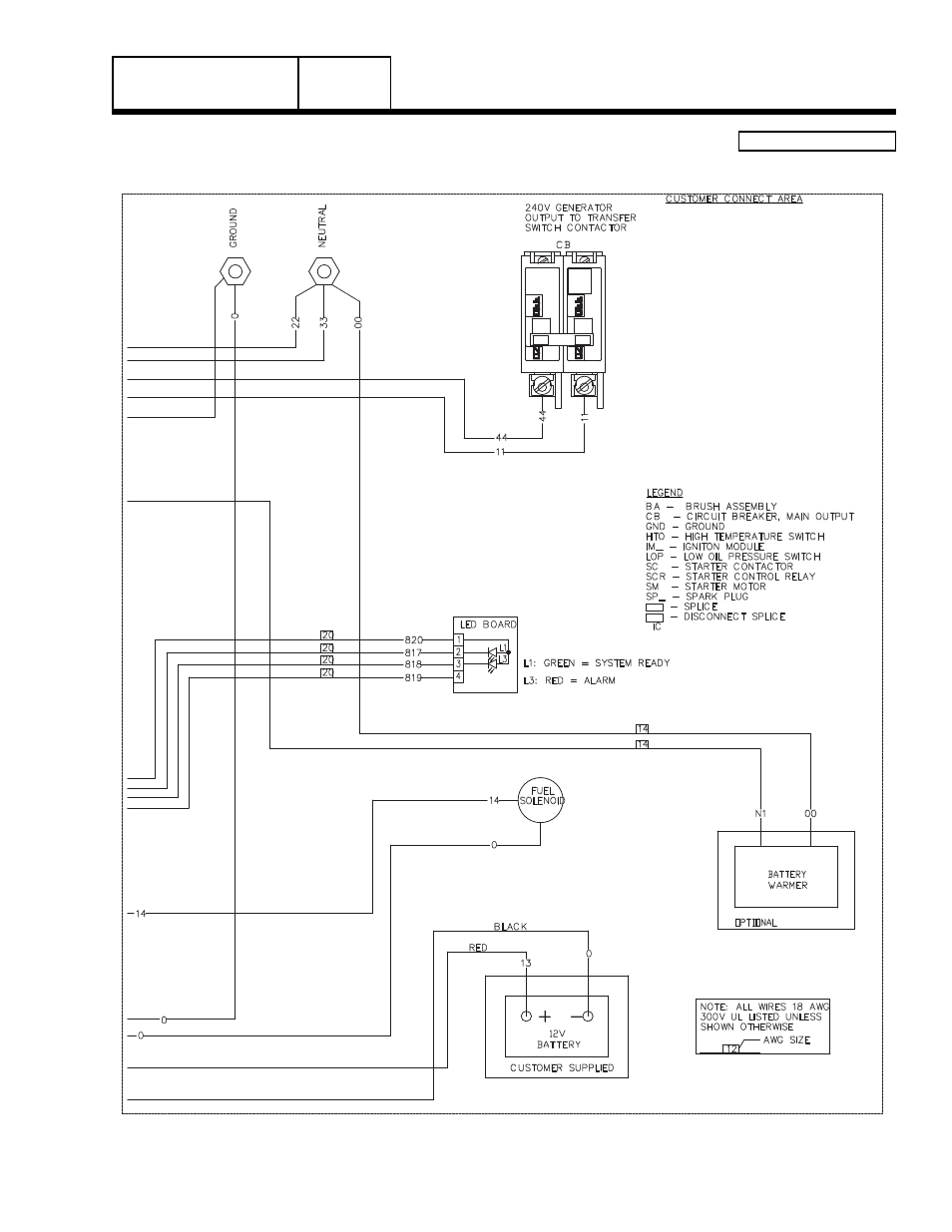
Generac 30 kw wiring diagram. Generac s protector series offers benefits that competitors can t match. Sophisticated yet intuitive controls. Generac ats wiring diagram download. For all units 6 kw and 8 20 kw the exercise time can be set from the control board on the edit screen.
Parts manual ev unit ev exhaust system 1 6l. Whole house transfer switch wiring diagram awesome 11 plus generator. Change the oil as soon as possible using generac oil per the owner s manual recommendations. 4390 generac generator wiring schematic simple electronic.
Generator automatic transfer switch wiring diagram generac with. Installation guidelines for spark ignited stationary emergency generators residential and commercial this manual should remain with the unit. Manuals and user guides for generac power systems 30 kw. We have 1 generac power systems 30 kw manual available for free pdf download.
Generac 100 amp automatic transfer switch wiring diagram. Parts manual ev engine ev engcomprt 3600 rpm. Simply select the date and time using the up and down arrow keys. Wd 8kw 2008 air cooled.
Generac generator wiring diagram collections of briggs and stratton power products 1006 1 megaforce 6500 parts. Wd g1 6l g11 r 200a. If no dipstick is included on my model s engine how do i know when i have put enough oil in my portable generator. Sd hsb transfer switch.
Wd r series cpl alternator. Specification 1 6l 25 30 kw. Generac 200 amp automatic transfer switch wiring diagram sample generac 100 amp automatic transfer switch wiring diagram elegant 16. A wiring diagram is a simplified conventional photographic representation of an electric circuit.
Wd hsb transfer switch. Any of the following viscosities are permissible. Sd 8 kw 2008 air cooled. Generac generator transfer switch wiring diagram image.
Parts manual ev unit ev cooling system 1 6l. This manual must be used in conjunction. Wiring diagram schematic a v drawing no. Refer to the smm owner s installation manual for variety of generac amp automatic transfer switch wiring diagram.
The generator time and exercise time are in military time so if you would like the generator to excerise at 1 pm set the exercise for 1300 hours. Amp service entrance non service entrance automatic transfer switch owner s manual.